Esp32-wroom-32d Schematic
In our previous article we recomanded ESP WROOM 32 dev board over Adafruit Feather as cost effective option. If you ask yourself how to solder the ESP32-WROOM-32 I made a tutorial earlier.
ESP32-WROOM-32 Datasheet PDF ESP32-WROOM-32D and ESP32-WROOM-32U Datasheet PDF ESP32-WROOM-DA Datasheet PDF ESP32-WROVER Datasheet PDF ESP32-WROVER-B Datasheet PDF ESP Product Selector.
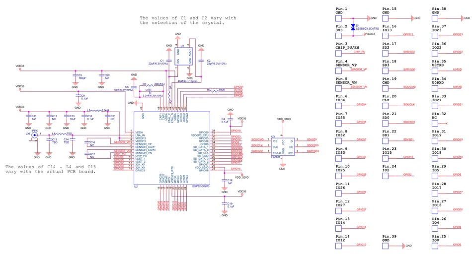
Esp32-wroom-32d schematic. They are an ideal choice for a wide variety of application scenarios relating to Internet of Things IoT wearable electronics and smart home. In the ESP-WROVER-KIT_V4_1 schematic ESP32 IO13 is routed to MTCK via a 10K pull down resistor IO12IO15IO14 are routed to MTDIMTDOMTMS via a 10K pull up resistor. At the core of this module is the ESP32-D0WDQ6 chip.
The following list and figure below describe key components interfaces and controls of ESP32-DevKitC V4 board. ESP32-WROOM-32D and ESP-PROG. ESP32-S2-WROOM and ESP32-S2-WROOM-I are two powerful generic Wi-Fi MCU modules that have a rich set of peripherals.
1 ESP32-WROOM-32EBlockDiagram 9 2 ESP32-WROOM-32UEBlockDiagram 9 3 PinLayoutTopView 10 4 ESP32-WROOM-32ESchematics 22 5 ESP32-WROOM-32UESchematics 23 6 PeripheralSchematics 24 7 ESP32-WROOM-32EPhysicalDimensions 25 8 ESP32-WROOM-32UEPhysicalDimensions 25 9 ESP32-WROOM-32ERecommendedPCBLandPattern 26 10. Esp32_devkitc_v4 c wednesday december 06 2017 1 1 d2 esp-wroom-32 gnd1 1 3v3 2 en 3 sensor_vp 4 sensor_vn 5 io34 6 io35 7 io32 8 io33 9 io25 10 io26 11 io27 12 io14 13 io12 14 gnd3 38 io23 37 io22 36 txd0 35 rxd0 34 io21 33 nc 32 io19 31 io18 30 io5 29 io17 28 io16 27 io4 26 io0 25 gnd2 15. For a reference design please see ESP32-Ethernet-Kit V12 Ethernet board A schematic.
ESP32-WROOM-32U Module ESP-WROOM-32D ESP32-WROOM-32U Core ESP32-D0WD ESP32-D0WD SPIFlash 32Mbits33V 32Mbits33V Crystal 40MHz 40MHz Antenna onboardantenna externalIPEXantenna Dimensions Unitmm 1802x25502x31015SeeFigure6for details 1801x19201x3201SeeFigure7for. You can find it here. See pin definitions in Table 3.
ESP32WROOM32D Pin Layout Top View Note. Ad Find 300 Million Products with Findchips. The following image shows the pinout of a 30-pin ESP32 DevKit Development Board.
Type Function GND 1 P Ground. But ESP32 devkit uses ESP-WROOM-32 module. Founded in 2001 4 Star Electronics is ISO 90012015 AS9100D AS6081 Certified.
ESP32-S2-WROOM comes with a PCB antenna and ESP32-S2-WROOM-I with an IPEX antenna. But the functionality of all GPIO pins is the same across all ESP32. The pin layout of ESP32-WROOM-32U is the same as that of ESP32-WROOM-32D except that ESP32-WROOM-32U has no keepout zone.
22 Pin Description The ESP32-WROOM-32D and ESP32-WROOM-32U have 38 pins. The chip embedded is designed to be scalable and adaptive. The ESP32 pins GPIO16 and GPIO17 are not broken out to the ESP32-WROVER-E module and therefore not available for use.
The chip embedded is designed to be scalable and adaptive. The pin layout of ESP32-WROOM-32U is the same as that of ESP32-WROOM-32D except that ESP32-WROOM-32U has no keepout zone. Type Function GND 1 P Ground.
ESP32-DevKitC is a low-footprint breadboard-friendly minimum system development board which could be powered by the ESP32-WROOM-32D ESP32-WROOM-32U ESP32-WROVER-B and ESP32. At the core of this module is the ESP32-D0WDQ6 chip. It consists of ESP-WROOM-32 as the baseboard and additionally few pins and components to easily interact with ESP32.
Pin Definitions Name No. The board supports various ESP32 modules including ESP32-WROOM-32 ESP32-WROOM-32U ESP32-WROOM-32D ESP32-SOLO-1 and ESP32-WROVER series. For further design documentation for the board please contact us at sales espressif.
Same day shipping on in-stock parts. ESP32-WROOM-32D ESP32-WROOM-32U Datasheet This document introduces the hardware specifications of ESP32-WROOM-32D and ESP32-WROOM-32U Datasheet. ESP32 WROOM 32D Pinout Features and specifications- This is a getting started tutorial on the ESP32 WROOM 32D Wifi Bluetooth Module by the ESPRESSIF Systems.
If you need to use these pins please solder a module without PSRAM memory inside eg. 1x ESP32-WROOM-32 also known as ESP32-F with PCB for it you can get one here. Sep 06 2016 Now includes an alternate esp32-xesslib schematic library in which the pin types of the ESP32 chip and modules have been changed to reflect their.
Im developing a KiCad schematic and PCB layout that will be used as starting point for different modules. Does one of the connections EN IO0 etc need a pull-up or anything so that the. ESP32 devkit consists of ESP-WROOM-32 module.
The ESP32-WROOM-32D or ESP32-SOLO-1. Ill use the ESP32-VROOM-32D module as processor and use an ESP_PROG device to programmdebug the software in the processor. One popular ESP32 Development Board available today is the 30-pin version shown in the above image.
Pin Definitions Name No. Compare a Huge Selection of Parts. In this guide we will help to setup ESP WROOM 32 dev board with Arduino IDE.
ESP32-WROOM-32 is a powerful generic Wi-FiBTBLE MCU module that targets a wide variety of applications ranging from low-power sensor networks to the most demanding tasks such as voice encoding music streaming and MP3 decoding. See pin definitions in Table 3. 22 Pin Description The ESP32-WROOM-32D and ESP32-WROOM-32U have 38 pins.
ESP32-WROOM-32 module soldered to the ESP32-DevKitC V4 board. Go from idea to prototype in minutes without writing any code. EN is also connected to a 10K pull up.
This is the same company that created the ESP8266 series of chips modules and development boards. There are many versions of ESP32 chip available in the market. ESP32-WROOM-32D Pin Layout Top View Note.
Ad The DK IoT Studio is an integrated development environment IDE to create IoT solutions. Use of the ESP32 WROOM 32D Module is just like the Nodemcu ESP8266 Wifi Module. Ad 4 Star Electronics is ISO Certified.
ESP32-WROOM-32 ESP-WROOM-32 This tutorial is about pinout of the ESP32 development board especially for ESP32 devkit. In the ESP32-WROOM-32 Datasheet V26 ESP32 IO14IO12IO13IO15 are routed to JTAG MTMSMTDIMTCKMTDO with a 100R series resistor. ESP32-WROOM-32 is a powerful generic Wi-FiBTBLE MCU module that targets a wide variety of applications ranging from low-power sensor networks to the most demanding tasks such as voice encoding music streaming and MP3 decoding.
We are using clone of DOIT ESP-WROOM-32 Devkit V1 and for the most boards these are ESP32 Dev Module to Arduino IDE. Find the Parts you Need. 5x Dupont wire female on both sides you can get a set here.

Esp32 Wroom 32 Custom Pcb Not Working Schematic R Esp32

Esp32 Wroom 32dc Wifi Bluetooth Esp32 4mb Home Automation Modules Aliexpress

Downloads Adafruit Huzzah32 Esp32 Feather Adafruit Learning System

Esp32 Dev Board Pinout Specifications Datasheet And Schematic

Esp32 Devkitc Core Board Esp32 Development Board Esp32 Wroom 32d Esp32 Wroom 32u For Arduino Integrated Circuits Aliexpress
Esp 32 And Drv8305n Schematic Details Hackaday Io

Esp32 Esp Wroom 32 Brownout Detector Was Triggered Electrical Engineering Stack Exchange

Esp32 Dev Board Pinout Specifications Datasheet And Schematic
_Gz8HElIPwA.png?auto=compress%2Cformat&w=740&h=555&fit=max)
Getting Started With The Esp Wroom 32 Hackster Io

Mgc Pcb Design For Esp32 Stand Alone Module

Esp32 Psram Schematic And Notes Pcb Artists
Index Of Images Magic Cauldron Esp Wroom 32 Breakout

Mgc Pcb Design For Esp32 Stand Alone Module

What Would I Need To Enable Flashing To A Esp32 Wroom 32 Esp32 Forum



