Dämmerungsschalter Schaltplan 5V

Dämmerungsschalter Schaltplan 5V. Die schaltung nach dem schaltplan unten verdrahten (die led´s und den ldr noch nicht anlöten) an die beiden leuchtdioden jeweils ein kabel anlöten, so lang das es bis zu dem loch vom forstnerbohrer reicht die led´s mit einem schrumpfschlauch an ein 6 mm rundholz befestigen (auf kurzschlüsse achten !!!) Entscheiden sie sich für das vielfältige.

LedKerzen mit umgebauter Zeitschaltuhr (230VAC>X VDC
LedKerzen mit umgebauter Zeitschaltuhr (230VAC>X VDC from www.mikrocontroller.net

Ändert nur eine led ihren zustand, reagiert der schmitt trigger noch nicht. Mit einem relais können verbraucher bis 24 v mit max. Elkrets med motstånd, voltmeter och amperemeter.png 702 × 453;

Und Ihn Hier Für Euch Etwas Dokumentiert Damit Ihr Das Gleiche Daheim, In Der Jungs (Jungschar) In Der Schule Oder Mit.


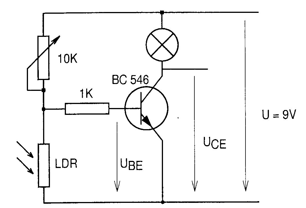
Der kern des schalters ist ein ldr (“ light dependent resistor”, lichtabhängiger widerstand). Erstellen sie mind map, grundriss, flussdiagramm, schaltplan und 260 diagramme. Hat dir der hersteller des platinchen keinen schaltplan mitgeliefert?

Der Dämmerungsschalter Misst Diesen Dämmerungswert In Der Einheit Lux.


Normaler weise haben die lampen einen dämmerungsschalter mit 1,5v batterie drinnen, der die zündung und die gaszufuhr steuert, aber der macht das ding eben nur an und aus. Der bausatz hat eine gebohrte leiterplatte mit geätztem, verzinntem leiterbild. Edrawsoft will ihnen helfen, alle diagramme zu erstellen.

Der Kollectorstrom Ist Ein Vielfaches Des Basisstromes.


Electronic amplifier.svg 280 × 240; Ich habe gerade einen schaltplan gefunden mit dem man einen motor mir nur einem taster auf und zu fahren kann. Damit die led´s nicht 24h leuchten würde ich die kette gerne mit einem dämmerungsschalter schalten.

Wenn Diese Spannung Nicht Erreicht Wird, Fließt Kein.


Das poti dient dabei nur der feinjustage, theoretisch geht´s auch ohne. Schaltplan für dämmerungsschalter technik technologie. » » eigendlich wollte ich mit dieser schaltung eine andre schaltung » schalten.

Esquema Electrico 01.Jpg 639 × 303;


Diese stromverstärkung (im datenblatt als b, oder benannt) hängt vom typ des transistors ab. Zeitschaltuhr bzw dämmerungsschalter mit 3v. Ich möchte mir in meine leuchtbojen (angeln) einen dämmerungsschalter einbauen.